Abbildung ähnlich

ZT-Schieb.Schl.PZ,55/60/8 20ktg.0375,m.Hakenf.NiSi

4016248206148 4016248206148
auf Anfrage
je 1
keine Verfügbarkeitsinformationen

Folgeartikel

Dieser wird automatisch Ihrem Warenkorb hinzugefügt.

Verkaufsdaten

Mindestbestellmenge 1
Bestellschritt 1

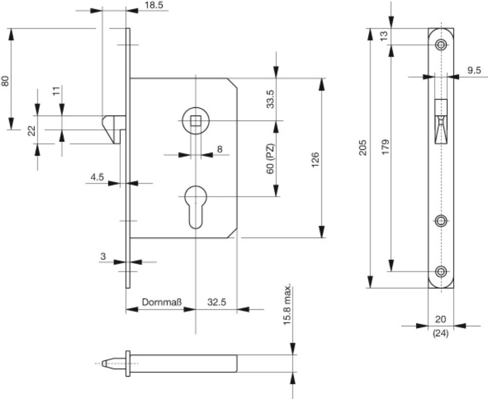
Beschreibung

Schiebetürschloss,

mit Hakenfalle

• Mit verschließbarer Hakenfalle

• Dorn: 55 mm

• Entfernung: 60 mm

• Drückernuss: Zinkdruckguss, 8 mm

• Stulp: 20 x 205 mm, kantig, nickelsilber

• Mit Wechsel

• PZ-vorgerichtet

Hersteller: BKS GmbH, Heidestr.71, 42549 Velbert, DE, +4920512010, info@bks.de

Merkmale

Lief.-Art.-Nr. 03750014