Abbildung ähnlich
TECE

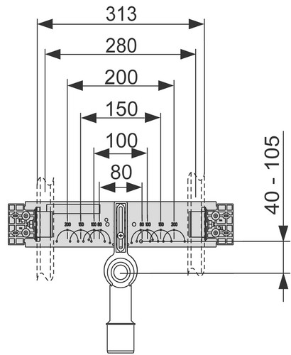
TECE Anschlusseinheit TECEprofil aus verzinktem Stahl, ohne Wandscheiben, für Waschtisch

129107 4027255005358 9020033
auf Anfrage
je 1 STCK
keine Verfügbarkeitsinformationen

Folgeartikel

Dieser wird automatisch Ihrem Warenkorb hinzugefügt.

Verkaufsdaten

Mindestbestellmenge 1 STCK
Bestellschritt 1 STCK

Beschreibung

zur bauseitigen Montage von Wandscheiben, mit vormontiertem Anschlussbogen DN 50/40, mit Gummimanschette NW 30/50, Bauschutzstopfen, Befestigungsmaterial zur Befestigung an TECEprofil-Profilrohren, 2x Befestigungsklammer M 10 und Waschtischbefestigungen

Merkmale

Produktklasse Zusatzartikel
Serie TECEprofil
Modell 2009000040 0010
Internet Link https://produktdaten.tece.de/web/tece/de_DE/all/all/all/PR/9020033/keywords.xhtml
Werkstoff Stahl