Abbildung ähnlich

PET-Einsteckschloss, PZ,E94,D55,24kt,DL/DR

4053569102919 4053569102919
auf Anfrage
je 1
keine Verfügbarkeitsinformationen

Folgeartikel

Dieser wird automatisch Ihrem Warenkorb hinzugefügt.

Verkaufsdaten

Mindestbestellmenge 1
Bestellschritt 1

Beschreibung

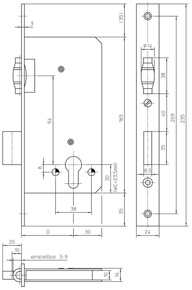
Einsteck-Pendeltürschloss 486 PZ

• Mit verstellbarer Pendelfalle, glanzvernickelt

• Kasten verzinkt

• DIN rechts und links verwendbar

• Für Proflzylinder vorgerichtet

• Riegel 2-tourig

• Mit Schließblech

Hersteller: KFV Karl Fliether GmbH & Co. KG, Siemensstraße 10, 42549 Velbert, DE, +4920512780,  info@kfv.de  

Merkmale

Lief.-Art.-Nr. 3327054
Stulp 24 x 235, kantig mm
Dornmaß 55 mm
Schließung PZ
Oberfläche altsilberfarbig lackiert