Helios Zentral-Entlüftungsbox ZEB 380 4 Stutzen, kompakt
W844566
4010184014560
01456
auf Anfrage
je 1 STCK
keine Verfügbarkeitsinformationen
Funktionen
Verkaufsdaten
| Mindestbestellmenge | 1 STCK |
| Bestellschritt | 1 STCK |
Beschreibung
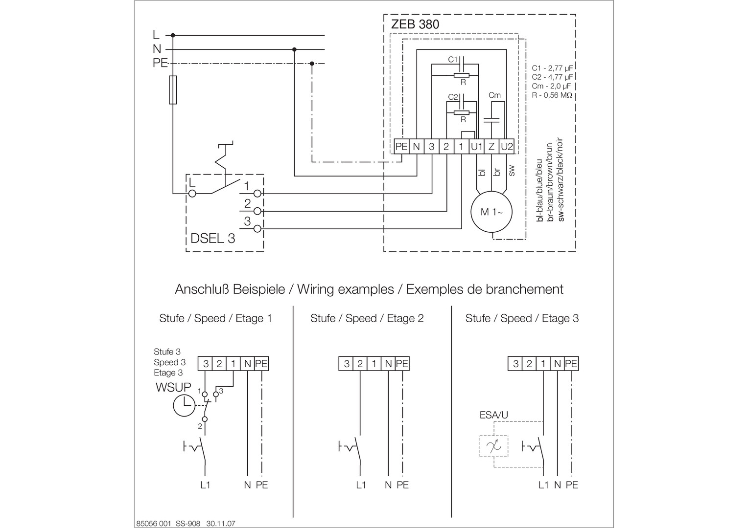
zum Aufstecken von Abluftleitungen, im Wohn-, Gewerbe- und Industriebereich einsetzbar, als Zentral-Abluftgerät für mehrere Räume oder Bereiche, Gehäuse aus schlagfestem Kunststoff in hellgrau, geräuscharmes Radiallaufrad aus Stahl in aerodynamisch optimierter Spirale (Einströmung über Düse), geschlossener Außenläufermotor in IP 44 (kugelgelagert, mit Feuchteschutz, Isolationsklasse B, für Dauerbetrieb, wartungs- und funkstörungsfrei), variable Leistungsanpassung über 3 Drehzahlen mittels Betriebsschalter (Zubehör), in jeder Lage montierbar, 230 V/50 Hz
Merkmale
| Produktklasse | Zusatzartikel |
| Internet Link | https://2hv.de/art01456-003 |