Abbildung ähnlich
Helios

Helios Motorvollschutz-Schalter MSA für Drehstrom-Ventilatoren mit eingebauten Kaltleitern

W844493 4010184012894 01289
auf Anfrage
je 1 STCK
keine Verfügbarkeitsinformationen

Folgeartikel

Dieser wird automatisch Ihrem Warenkorb hinzugefügt.

Verkaufsdaten

Mindestbestellmenge 1 STCK
Bestellschritt 1 STCK

Beschreibung

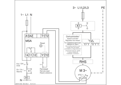
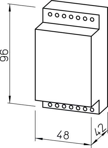
Auslösegerät mit Wiedereinschaltsperre für 1 bis 6 in Reihe geschaltete Kaltleiter-Temperaturfühler, zum thermischen Schutz von Elektromotoren (auch explosionsgeschützte Elektromotoren nach Richtlinie 2014/34/EU (ATEX) mit eingebauten Kaltleitertemperaturfühlern nach DIN 44081 und DIN 44082), 230 V +/- 15 %, 50/60 Hz, 3~ Betrieb über Schütz, Schaltleistung bei 3 A AC 15-230 V, IP 20, 35 x 90 x 58 mm

Merkmale

Produktklasse Zusatzartikel
Internet Link https://2hv.de/art01289-003