Abbildung ähnlich
Helios

Helios Lüftungsgerät KWL 200 W, links, mit WRG

W846641 4010184400479 40047
auf Anfrage
je 1 STCK
keine Verfügbarkeitsinformationen

Folgeartikel

Dieser wird automatisch Ihrem Warenkorb hinzugefügt.

Verkaufsdaten

Mindestbestellmenge 1 STCK
Bestellschritt 1 STCK

Beschreibung

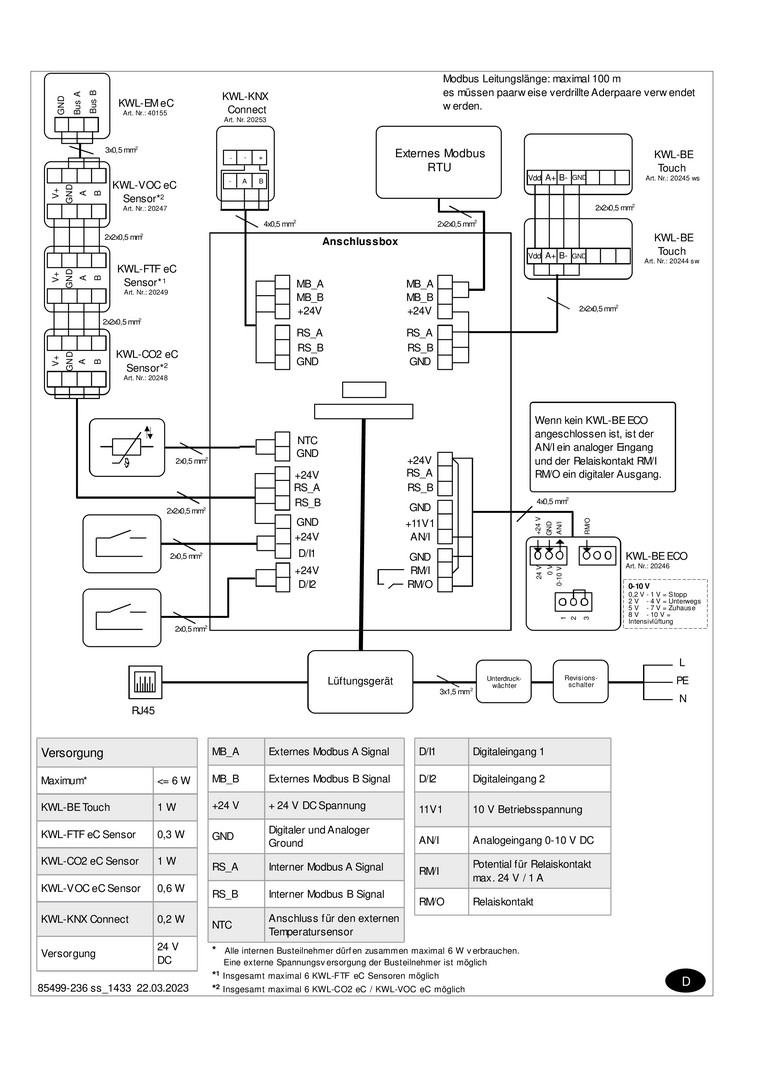
Kompaktgerät mit Wärmerückgewinnung für die Wandmontage, einsetzbar als zentrale Be- und Entlüftung z.B. von Wohnhäusern und Etagenwohnungen, Gehäuse innen- und außen aus verzinktem Stahlblech, korrosionsbeständig pulverbeschichtet in der Farbe weiß, doppelwandig, allseitig mit Wärme- und Schalldämmung montagefreundlicher Anschluss von Außen- und Fortluft, sowie Ab- und Zuluft durch Rohre mit DN 125 mm an den oben angeordneten Muffen (Zubehör: Verbinder mit Dichtung RVBD), Kondensatanschluss an der Geräteunterseite, Lieferung erfolgt inkl. Kugelsiphon, Anschluss bauseitig an Abflussleitung. Zwei geräuscharme Radialventilatoren mit energiesparenden EC-Motoren für die Ab- und Zuluftführung, Wärmerückgewinnung mittels hocheffizienten, großflächigen Kreuzgegenstrom-Wärmetauscher aus Kunststoff, automatischer Sommerbypass mit Abdeckung des Wärmetauschers, Filterausstattung serienmäßig mit ISO Coarse 75% (G4) Filter für Außen- und Abluft, optional ist ein ISO ePM1 50% (F7) Feinfilter erhältlich, welcher zusätzlich in das Gerät integriert werden kann, werkzeugloser Filterwechsel möglich, Abnehmbare Fronttüre für einfachen Zugang und optimaler Reinigungs- und Wartungsmöglichkeit, das Gerät ist mit einer modernen Helios easyControls3 Steuerung ausgestattet, Die Bedienung des Gerätes erfolgt wahlweise über ein externes Bedienelement (Zubehör: KWL-BE ECO, -BE Touch bl, -BE Touch wh) oder durch die integrierte LAN-Schnittstelle über PC/Laptop bzw, mobiler Endgeräte, Über die Cloud ist eine Bedienung auch von unterwegs möglich, der serienmäßig eingebaute Feuchtesensor sowie weitere optional verfüg-baren externen Luftqualitätssensoren (Zubehör: KWL-CO2 Modbus EC3, - FTF Modbus EC3, -VOC Modbus EC3) ermöglichen eine automatische, bedarfsgesteuerte Lüftung, für den Anschluss an Gebäudeleittechnik steht die integrierte Modbus/RTU-Schnittstelle oder ein optionales KNX-Modul (Zubehör: KWL-KNX Connect) zur Verfügung, die Frostschutzüberwachung erfolgt serienmäßig durch die Regelung des Zuluft-Fördervolumens und eine optional in das Gerät integrierbare Elektro-Vorheizung (Zubehör: KWL-EVH 200 W), Elektrischer Anschluss mit Festanschluss, 2 mtr. Netzanschlusskabel 3 x 1,5 mm2, max.Volumen: 166 m3/h bei 100 Pa ext. 224 m3/h bei 0 Pa ext. Stromaufnahme: 1,2 A (5,6 A inkl. VHZ), Leistung VHZ 1 kW (Zubehör), Spannung 230 V/50 Hz, Gerätemaße 600 x 361 x 658 (L x B x H) mm, Gewicht 41 kg

Varianten

Helios

Helios Lüftungsgerät KWL 200 W, rechts, mit WRG W901740

keine Verfügbarkeitsinformationen
auf Anfrage
je 1 STCK
Dimension
200 W, rechts
Helios

Helios Lüftungsgerät KWL 200 W ET, rechts, mit WRG W846640

keine Verfügbarkeitsinformationen
auf Anfrage
je 1 STCK
Dimension
200 W ET, rechts
Helios

Helios Lüftungsgerät KWL 200 W, links, mit WRG W846641

keine Verfügbarkeitsinformationen
auf Anfrage
je 1 STCK
Dimension
200 W, links
Helios

Helios Lüftungsgerät KWL 200 W ET, links, mit WRG W846642

keine Verfügbarkeitsinformationen
auf Anfrage
je 1 STCK
Dimension
200 W ET, links