Abbildung ähnlich
Helios

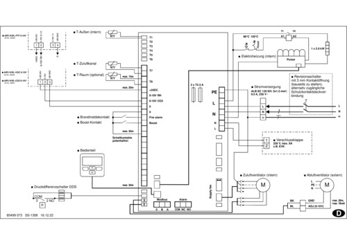
Helios ALB EC 125 EH Außenluft-Box mit E-Heizreg. und Luftfilter Motor/Heizung 1-PH, 230V

W846004 4010184068082 06808
auf Anfrage
je 1 STCK
keine Verfügbarkeitsinformationen

Folgeartikel

Dieser wird automatisch Ihrem Warenkorb hinzugefügt.

Verkaufsdaten

Mindestbestellmenge 1 STCK
Bestellschritt 1 STCK

Beschreibung

Merkmale

Produktklasse Boxventilator
Länge 872 mm
Breite 430 mm
Höhe 234 mm
Internet Link https://2hv.de/art06808-002
Werkstoff des Gehäuses Stahl
Schutzart (IP) IP54
Anschlussspannung 230 V
Elektrischer Anschluss Anschlussklemmen
Mit thermischem Überlastschutz ja