Abbildung ähnlich
Grundfos

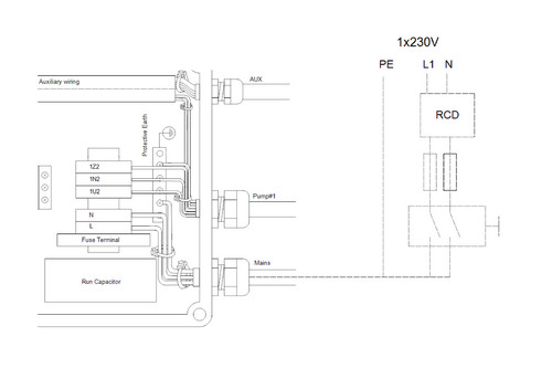
GRUNDFOS Steuer- und Regelsystem LC 241 2x 1,9-6,3 DOL 30 150 1x230 PI OP

W575393 5713835590961 99877161
auf Anfrage
je 1 STCK
keine Verfügbarkeitsinformationen

Folgeartikel

Dieser wird automatisch Ihrem Warenkorb hinzugefügt.

Verkaufsdaten

Mindestbestellmenge 1 STCK
Bestellschritt 1 STCK

Beschreibung

Merkmale

Produktklasse Pumpensteuerung
Internet Link https://product-selection.grundfos.com/products.gotoproduct.json?productnumber=99877161&custid=GWS
Internet Link https://product-selection.grundfos.com/products.gotoproduct.json?productnumber=99877161&custid=GWS&dtid=OT:IPAPER:vqbmyn&pltrack=portals:GWS:arge:99877161:gpclinkpdp:2025
Werkstoff des Gehäuses Kunststoff
Schutzart (IP) IP54
Nennstrom 1,9 - 6,3 A
Frequenz 50/60 Hz
Anschlussspannung 230 V
Elektrischer Anschluss Anschlussklemmen
Anzahl der Pumpen 2
Geeignet für Wandmontage ja
Anzahl der Phasen 1
Geeignet für Bodenmontage nein
Spannungsart AC