Dieser Artikel ist der Nachfolgeartikel von Artikel:
GROHE

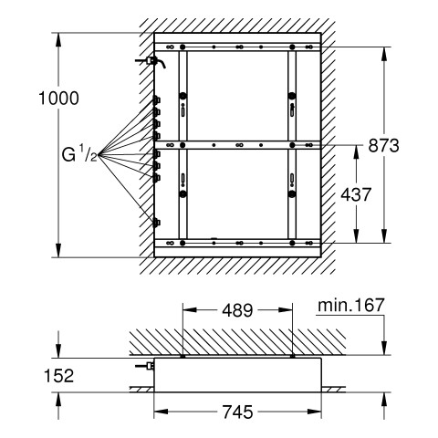
GROHE Rohbauset Rainshower F-Series 40 100x74,5x15,2cm, für Deckenbrause, chrom W294863

keine Verfügbarkeitsinformationen

Merkmale

Farben chrom

Verkaufsdaten

Mindestbestellmenge 1 STCK
Bestellschritt 1 STCK
Abbildung ähnlich
GROHE

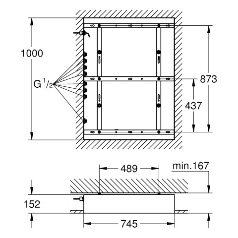
GROHE Rohbau-Set Rainshower Aqua 40" 100x74,5x15,2cm, 1/2" Anschlüsse, chrom

W295107 4005176758898 26865000
auf Anfrage
je 1 STCK
keine Verfügbarkeitsinformationen

Folgeartikel

Dieser wird automatisch Ihrem Warenkorb hinzugefügt.

Verkaufsdaten

Mindestbestellmenge 1 STCK
Bestellschritt 1 STCK

Beschreibung

für den Einbau der Rainshower Aqua 40" AquaSymphony Deckenbrause, min. Installationstiefe 167 mm, die Deckenkonstruktion muss den statischen Anforderungen des Produktes entsprechen (Gesamtgewicht Produkt > 70 kg), die Deckenbrause wird über 8 Abgänge angesteuert, die Ablauf-Leistung des Abflusses muss ausreichend dimensioniert sein (> 100 l/min)

Merkmale

Produktklasse Zusatzartikel
Serie Rainshower
Modell 26865
Internet Link https://www.grohe.de/de_de/-26865000.html