Abbildung ähnlich
Remeha

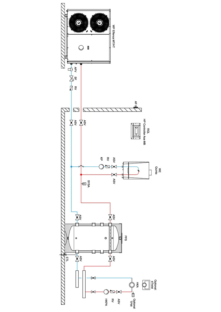
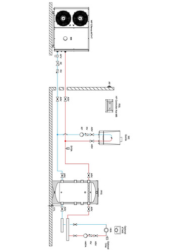
Effenca HT 30 mit Quinta 45 und Centra 750D

W921086 8713809382575 7888065
auf Anfrage
je 1
keine Verfügbarkeitsinformationen

Folgeartikel

Dieser wird automatisch Ihrem Warenkorb hinzugefügt.

Verkaufsdaten

Mindestbestellmenge 1
Bestellschritt 1

Beschreibung

Merkmale

Produktklasse Heizkessel Stand
Bemessungsspannung 230 V