- Sie befinden sich hier:
- Start
- Produktgruppen
- HEIZUNG
- GASGERÄTE UND GASHE…
- BOSCH Gas-Brennwert…
Für diesen Artikel gibt es einen Nachfolgeartikel:
BOSCH Gas-Brennwertkessel Condens GC7000F 300 R, 1470x670x1317, bodenstehend W913093
keine Verfügbarkeitsinformationen
Merkmale
| Dimension | GC7000F 300 R, 1470x670x1317 |
Verkaufsdaten
| Mindestbestellmenge | 1 STCK |
| Bestellschritt | 1 STCK |
BOSCH Gas-Brennwertkessel Condens GC7000F 300 R 23, Erdgas H, E, LL, L, bodenstehend
W584897
4057749644947
7736602802
auf Anfrage
je 1 STCK
keine Verfügbarkeitsinformationen
Folgeartikel
Dieser wird automatisch Ihrem Warenkorb hinzugefügt.
Verkaufsdaten
| Mindestbestellmenge | 1 STCK |
| Bestellschritt | 1 STCK |
Beschreibung
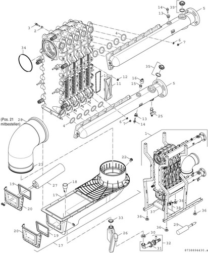
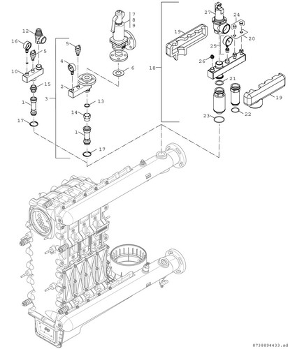
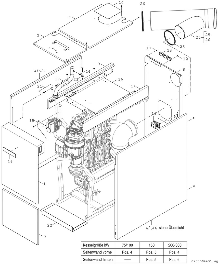
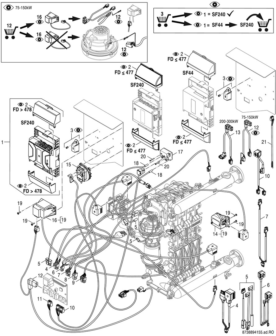
Gas-Brennwertkessel aus Aluminium/Silicium, brennwertoptimierte Wasser-/heizgasseitige Konstruktionsmerkmale sorgen für einen konstant hohen Wärmeübergang, geringer hydraulischer Widerstand für einfache hydraulische Einbindung ohne hydraulische Weiche, getrennter Anschluss für Abgas und Zuluft, modulierender Gas-Vormischbrenner für Erdgas E (H-Gas, G20)/LL (L-Gas, G25), Kessel zur besseren Zugänglichkeit und Reinigung in rechter und linker Ausführung lieferbar, Montage durch getrennte Verpackung von Kesselkörper und Verkleidung, die Kaskaden mit nur einer Bestell-Nr. bestellt werden, es können nur Kessel mit gleicher Leistung kombiniert werden, vollautomatischer modulierender Gas-Vormischbrenner, Hochleistungs-Wärmetauscher, mit je nach Kesselausführung rechts- oder linksseitiger Reinigungsöffnung, stetig geregelte Gasarmatur, Kesselsteuerung MX25 ohne Systemregler CW 400/ CW 800, zum Betrieb erforderliche Systemregler sowie evtl. benötigte Funktionsmodule im Kapitel Regelsystem auswählen, 2 kleine Reglermodule M... 100 optional im Schaltfeld montierbar, Internet: IP-Gateway als Zubehör (MB LAN 2), ab 150 kW Kesselleistung Abgasanschluss wahlweise hinten oder oben möglich, getrennte Lieferung von Kesselkörper und Verkleidung
Ausschreibungstext
Merkmale
| Produktklasse | Heizkessel Wand |
| Serie | Condens |
| Internet Link | https://www.bosch-homecomfort.com/de/de/ocs/wohngebaeude/condens-7000-f-bis-300kw--854637-p/ |
| Internet Link | https://www.bosch-homecomfort.com/de/de/ocs/wohngebaeude/condens-7000-f-bis-300kw-854637-p/ |
| Energieform | Erdgas H/E/LL/L |
| Nennleistung 80-60 °C | 280 kW |
Anhänge
Videos
Exposés
Dokumente
Informationen nach Bauphase
Varianten
BOSCH Gas-Brennwertkessel Condens GC7000F 75 L, 1470x670x736, bodenstehend W913096
keine Verfügbarkeitsinformationen
auf Anfrage
je 1 STCK
|
||
BOSCH Gas-Brennwertkessel Condens GC7000F 75 R, 1470x670x736, bodenstehend W913097
keine Verfügbarkeitsinformationen
auf Anfrage
je 1 STCK
|
||
BOSCH Gas-Brennwertkessel Condens GC7000F 150 L, 1470x670x914, bodenstehend W913086
keine Verfügbarkeitsinformationen
auf Anfrage
je 1 STCK
|
||
BOSCH Gas-Brennwertkessel Condens GC7000F 150 R, 1470x670x914, bodenstehend W913087
keine Verfügbarkeitsinformationen
auf Anfrage
je 1 STCK
|
||
BOSCH Gas-Brennwertkessel Condens GC7000F 200 L, 1470x670x1317, bodenstehend W913088
keine Verfügbarkeitsinformationen
auf Anfrage
je 1 STCK
|
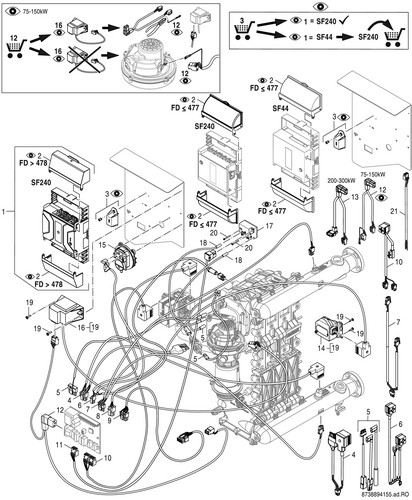
Ersatzteile:
keine Verfügbarkeitsinformationen
auf Anfrage
je 1 STCK
keine Verfügbarkeitsinformationen
auf Anfrage
je 1 STCK
keine Verfügbarkeitsinformationen
auf Anfrage
je 1 STCK
keine Verfügbarkeitsinformationen
auf Anfrage
je 1 STCK
keine Verfügbarkeitsinformationen
auf Anfrage
je 1 STCK
keine Verfügbarkeitsinformationen
auf Anfrage
je 1 STCK
keine Verfügbarkeitsinformationen
auf Anfrage
je 1 STCK
keine Verfügbarkeitsinformationen
auf Anfrage
je 1 STCK
keine Verfügbarkeitsinformationen
auf Anfrage
je 1 STCK
keine Verfügbarkeitsinformationen
auf Anfrage
je 1 STCK
keine Verfügbarkeitsinformationen
auf Anfrage
je 1 STCK
keine Verfügbarkeitsinformationen
auf Anfrage
je 1 STCK
keine Verfügbarkeitsinformationen
auf Anfrage
je 1 STCK
keine Verfügbarkeitsinformationen
auf Anfrage
je 1 STCK
keine Verfügbarkeitsinformationen
auf Anfrage
je 1 STCK
keine Verfügbarkeitsinformationen
auf Anfrage
je 1 STCK
keine Verfügbarkeitsinformationen
auf Anfrage
je 1 STCK
keine Verfügbarkeitsinformationen
auf Anfrage
je 1 STCK
keine Verfügbarkeitsinformationen
auf Anfrage
je 1 STCK
keine Verfügbarkeitsinformationen
auf Anfrage
je 1 STCK
keine Verfügbarkeitsinformationen
auf Anfrage
je 1 STCK
keine Verfügbarkeitsinformationen
auf Anfrage
je 1 STCK
keine Verfügbarkeitsinformationen
auf Anfrage
je 1 STCK
keine Verfügbarkeitsinformationen
auf Anfrage
je 1 STCK
keine Verfügbarkeitsinformationen
auf Anfrage
je 1 STCK
keine Verfügbarkeitsinformationen
auf Anfrage
je 1 STCK
keine Verfügbarkeitsinformationen
auf Anfrage
je 1 STCK
keine Verfügbarkeitsinformationen
auf Anfrage
je 1 STCK
keine Verfügbarkeitsinformationen
auf Anfrage
je 1 STCK
keine Verfügbarkeitsinformationen
auf Anfrage
je 1 STCK
keine Verfügbarkeitsinformationen
auf Anfrage
je 1 STCK
keine Verfügbarkeitsinformationen
auf Anfrage
je 1 STCK
keine Verfügbarkeitsinformationen
auf Anfrage
je 1 STCK
keine Verfügbarkeitsinformationen
auf Anfrage
je 1 STCK
keine Verfügbarkeitsinformationen
auf Anfrage
je 1 STCK
keine Verfügbarkeitsinformationen
auf Anfrage
je 1 STCK
keine Verfügbarkeitsinformationen
auf Anfrage
je 1 STCK
keine Verfügbarkeitsinformationen
auf Anfrage
je 1 STCK
keine Verfügbarkeitsinformationen
auf Anfrage
je 1 STCK
keine Verfügbarkeitsinformationen
auf Anfrage
je 1 STCK
keine Verfügbarkeitsinformationen
auf Anfrage
je 1 STCK
keine Verfügbarkeitsinformationen
auf Anfrage
je 1 STCK
keine Verfügbarkeitsinformationen
auf Anfrage
je 1 STCK
keine Verfügbarkeitsinformationen
auf Anfrage
je 1 STCK
keine Verfügbarkeitsinformationen
auf Anfrage
je 1 STCK
keine Verfügbarkeitsinformationen
auf Anfrage
je 1 STCK
keine Verfügbarkeitsinformationen
auf Anfrage
je 1 STCK
keine Verfügbarkeitsinformationen
auf Anfrage
je 1 STCK
keine Verfügbarkeitsinformationen
auf Anfrage
je 1 STCK
keine Verfügbarkeitsinformationen
auf Anfrage
je 1 STCK
keine Verfügbarkeitsinformationen
auf Anfrage
je 1 STCK
keine Verfügbarkeitsinformationen
auf Anfrage
je 1 STCK
keine Verfügbarkeitsinformationen
auf Anfrage
je 1 STCK
keine Verfügbarkeitsinformationen
auf Anfrage
je 1 STCK
keine Verfügbarkeitsinformationen
auf Anfrage
je 1 STCK
keine Verfügbarkeitsinformationen
auf Anfrage
je 1 STCK
keine Verfügbarkeitsinformationen
auf Anfrage
je 1 STCK
keine Verfügbarkeitsinformationen
auf Anfrage
je 1 STCK
keine Verfügbarkeitsinformationen
auf Anfrage
je 1 STCK
keine Verfügbarkeitsinformationen
auf Anfrage
je 1 STCK
keine Verfügbarkeitsinformationen
auf Anfrage
je 1 STCK
keine Verfügbarkeitsinformationen
auf Anfrage
je 1 STCK
keine Verfügbarkeitsinformationen
auf Anfrage
je 1 STCK
keine Verfügbarkeitsinformationen
auf Anfrage
je 1 STCK
keine Verfügbarkeitsinformationen
auf Anfrage
je 1 STCK
keine Verfügbarkeitsinformationen
auf Anfrage
je 1 STCK
keine Verfügbarkeitsinformationen
auf Anfrage
je 1 STCK
keine Verfügbarkeitsinformationen
auf Anfrage
je 1 STCK
keine Verfügbarkeitsinformationen
auf Anfrage
je 1 STCK
keine Verfügbarkeitsinformationen
auf Anfrage
je 1 STCK
keine Verfügbarkeitsinformationen
auf Anfrage
je 1 STCK
keine Verfügbarkeitsinformationen
auf Anfrage
je 1 STCK
keine Verfügbarkeitsinformationen
auf Anfrage
je 1 STCK
keine Verfügbarkeitsinformationen
auf Anfrage
je 1 STCK
keine Verfügbarkeitsinformationen
auf Anfrage
je 1 STCK
keine Verfügbarkeitsinformationen
auf Anfrage
je 1 STCK
keine Verfügbarkeitsinformationen
auf Anfrage
je 1 STCK
keine Verfügbarkeitsinformationen
auf Anfrage
je 1 STCK
keine Verfügbarkeitsinformationen
auf Anfrage
je 1 STCK
keine Verfügbarkeitsinformationen
auf Anfrage
je 1 STCK
keine Verfügbarkeitsinformationen
auf Anfrage
je 1 STCK
keine Verfügbarkeitsinformationen
auf Anfrage
je 1 STCK
keine Verfügbarkeitsinformationen
auf Anfrage
je 1 STCK
keine Verfügbarkeitsinformationen
auf Anfrage
je 1 STCK
keine Verfügbarkeitsinformationen
auf Anfrage
je 1 STCK
keine Verfügbarkeitsinformationen
auf Anfrage
je 1 STCK
keine Verfügbarkeitsinformationen
auf Anfrage
je 1 STCK
keine Verfügbarkeitsinformationen
auf Anfrage
je 1 STCK
keine Verfügbarkeitsinformationen
auf Anfrage
je 1 STCK
keine Verfügbarkeitsinformationen
auf Anfrage
je 1 STCK
keine Verfügbarkeitsinformationen
auf Anfrage
je 1 STCK
keine Verfügbarkeitsinformationen
auf Anfrage
je 1 STCK
keine Verfügbarkeitsinformationen
auf Anfrage
je 1 STCK
keine Verfügbarkeitsinformationen
auf Anfrage
je 1 STCK
keine Verfügbarkeitsinformationen
auf Anfrage
je 1 STCK
keine Verfügbarkeitsinformationen
auf Anfrage
je 1 STCK
keine Verfügbarkeitsinformationen
auf Anfrage
je 1 STCK
keine Verfügbarkeitsinformationen
auf Anfrage
je 1 STCK
keine Verfügbarkeitsinformationen
auf Anfrage
je 1 STCK
keine Verfügbarkeitsinformationen
auf Anfrage
je 1 STCK
Lieferdetails
Angaben zur Marke
BOSCH
Hersteller
Bosch Thermotechnik GmbH Sophienstraße 30-32 35576 Wetzlar Deutschland Thermotechnik-Info@de.bosch.com