Abbildung ähnlich
Aalberts

AIPS Montageset SEPP Easy I 5590102 DN 25, Press 28mm, für Einrohrgaszähler, Messing

W535485 4018422024173 0049085
auf Anfrage
je 1 STCK
keine Verfügbarkeitsinformationen

Folgeartikel

Dieser wird automatisch Ihrem Warenkorb hinzugefügt.

Verkaufsdaten

Mindestbestellmenge 1 STCK
Bestellschritt 1 STCK

Beschreibung

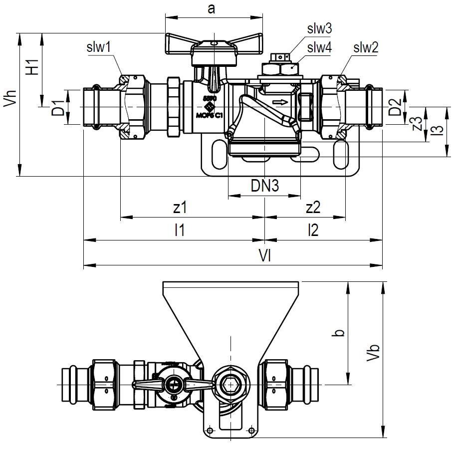
MOP5/C1, mit TAE, mit Montagekonsole, 2 x Pressverschraubung SPS-G für Kupferrohr, mit Prüföffnung DN 15

Merkmale

Produktklasse Gaszähleranschlussstück
Serie SEPP Easy I
Modell 5590102
Internet Link https://aalberts-ips.de/produkte/artikel/0049085
DVGW-Siegel für Gas ja